Un crédit vous engage et doit être remboursé. Vérifiez vos capacités de remboursement avant de vous engager.
Ce financement n'est pas soumis à la réglementation du crédit à la consommation. Sous réserve d'acceptation par CA Consumer Finance prêteur, SA au capital de 554 482 422 € - 1 rue Victor Basch - CS 70091 - 91068 MASSY Cedex, RCS Evry 542 097 522. Intermédiaire en assurance inscrit à l'ORIAS N° 07 008 079 (www.orias.fr). Vous disposez d'un droit légal de rétractation. Cette publicité est diffusée par NOMDUSITE, 9 rue des Bateaux-Lavoirs, ZAC Port d'Ivry, 94200 Ivry Sur Seine - 775 661 390 RCS Créteil - Au capital de 324 952 656 € - qui est mandataire bancaire de CA Consumer Finance.
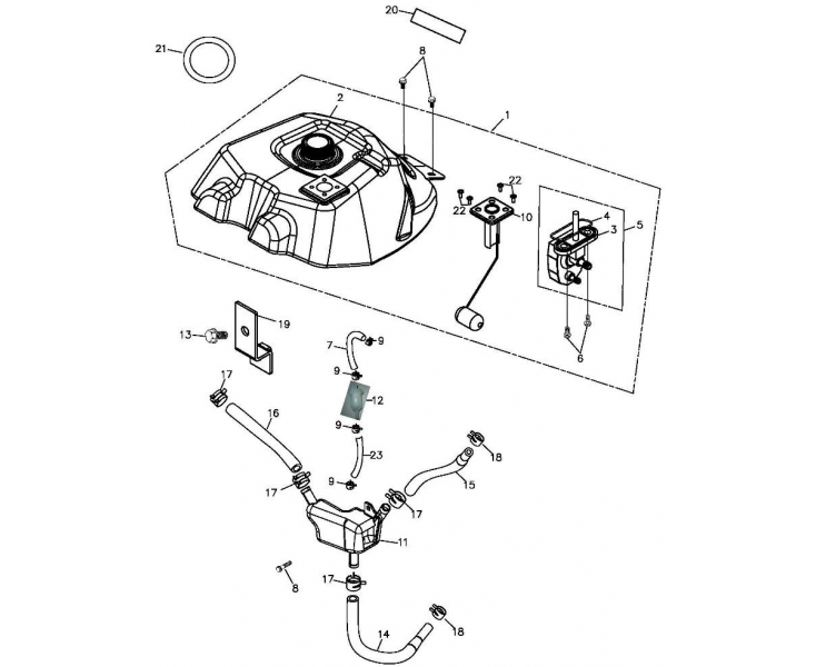
-N°1 Réservoir complet -N°2 Réservoir seul -N°4 Joint de robinet -Nº5 Robinet essence -N°5.1 Robinet adaptable -N°7 Durite -N°10 Jauge à essence
-N° 12 Filtre a essence
D'autres pieces sur demande