JRC Motos - Pièces Détachées et accessoires, Moto, 50cc, Scooter & quad- Paiement 3x/4x Sécurisé

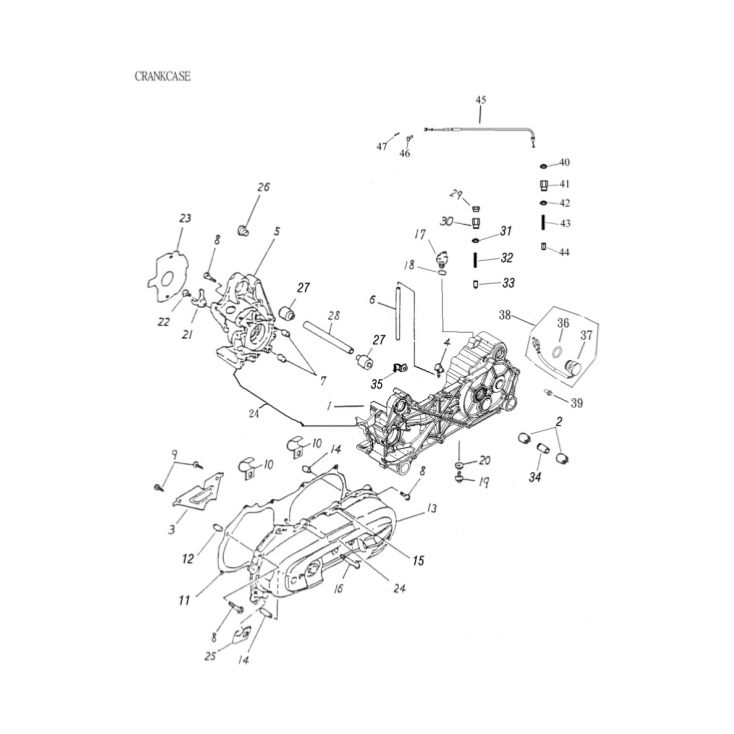
Joint de couvercle de carter ADLY 50 RSLC

(Code: 11359116000)
N° de pièce :
18,56 EUR
Disponible sous 4 jours
Ajouter au Panier
Joint de couvercle de carter ADLY 50 RSLC
-N°1 et 5 ne se détaillent plus c'est la pièce N°24
-N°2 Silentbloc Fix moteur
-N°11 Joint de couvercle de carter
-N°12 Pion de centrage 8x10x14 (unitaire)
-N°13 Couvercle de carter gauche
-N°23 Joint carter d'allumage
-N°24 Ensemble carter moteur
-N°27 Douille
-N°28 Axe de fixation moteur
-N°32 Ressort câble sélection
-N°33 Pion selection
-N°34 Entretoise

D 'autres pièces sur demande