JRC Motos - Pièces Détachées et accessoires, Moto, 50cc, Scooter & quad- Paiement 3x/4x Sécurisé
OK
Compte
Votre panier
0
0,00 EUR
Pièces par Marque
Toutes Catégories
Equipement pilote
Entretien,Outillage
Pièces d'occasions
SOLDES
Petites Annonces
Boutique
Rechercher
Votre Panier
Continuer les achats
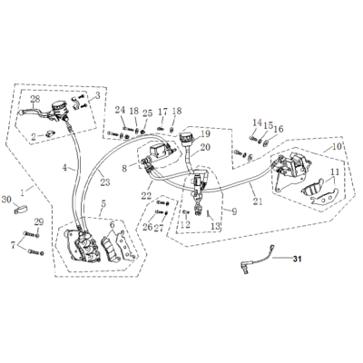
Freinage ORCAL 125 NK01
(Code: 3547123)
N° de pièce :
N°28
19,34 EUR
En Stock
(1 Article(s) en stock)
Ajouter au Panier
-N°3 Maître cylindre de frein AV
-N°28 Levier de frein AV
d'autres pièces sur demande
(
81
)
Payez en 2X- 3X- 4X
Petites Annonces
SOLDES
Pièces 50 cm3
ADLY
APRILIA
ARCHIVE
BWS / BOOSTER (pièces)
DAELIM
DAX - CITY- SKYTEAM
DERBI
DIRT BIKE
HONDA
HONDA - 125 FORZA
HYOSUNG
JET SKI (Pièces)
KARTING (Pièces)
KAWASAKI
KSR / GENERIC / CPI
KEEWAY
KTM / HUSQVARNA
KYMCO
MASH
ORCAL
PIECES POCKET BIKE
PEUGEOT
PEUGEOT LUDIX
PIAGGIO
RIEJU
SUZUKI
TGB
YAMAHA
DIRT BIKE / YCF
PIECES D'OCCASIONS
Pages
Qui sommes-nous ?
Modes de livraison
Moyens de paiement
Actualités
Tél : 02 38 67 02 33
Tél : 06 10 75 69 07
jrcmotos@gmail.com