JRC Motos - Pièces Détachées et accessoires, Moto, 50cc, Scooter & quad- Paiement 3x/4x Sécurisé

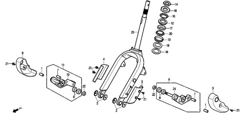
Fourche DAELIM BESBI 125

(Code: 50301-SA5-0000)
N° de pièce :
8,12 EUR
Disponible sous 4 jours
Ajouter au Panier
Fourche DAELIM BESBI 125
  • Fourche DAELIM BESBI 125
  • Fourche DAELIM BESBI 125

-N°9 Balancier gauche 
-N°11 Balancier droit
-N°12bis : 12-13-14-15-16-17-18-19-20 le  Lot

-N°12 Cuvette

-N°13 Cage inférieur de roulement inferieur

-N°14 Ecrou

-N°15 Roulement superieur de direction

-N°16 Cage de roulement supérieur

-N°17 Cage supérieur de roulement inférieur

-N°18 Cache poussières inferieur

-N°19 Rondelle

-N°20 Roulemnt inférieur

-N°23 Fouche

d'autres pièces sur demande - livraison 4 à 6 jours