JRC Motos - Pièces Détachées et accessoires, Moto, 50cc, Scooter & quad- Paiement 3x/4x Sécurisé
OK
Compte
Votre panier
0
0,00 EUR
Pièces par Marque
Toutes Catégories
Equipement pilote
Entretien,Outillage
Pièces d'occasions
SOLDES
Petites Annonces
Boutique
Rechercher
Votre Panier
Continuer les achats
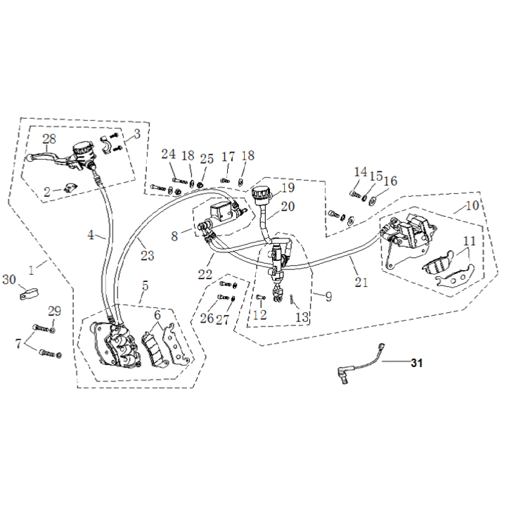
Ensemble de frein AV ou AR ORCAL 125 NK01
(Code: 3547179)
N° de pièce :
N°11
N°11-1
N°6
N°6.1
16,69 EUR
Disponible sous 4 jours
Ajouter au Panier
-N°6 Plaquettes de frein AV d'origine
-N°6-1¨Plaquettes de frein AV NISSIN Semi-métallique
-N°11 Plaquettes de frein AR d'origine
-N°11-1 Plaquettes de frein AR NISSIN Semi-métallique
d'autres pièces sur demande
(
81
)
Payez en 2X- 3X- 4X
Petites Annonces
SOLDES
Pièces 50 cm3
ADLY
APRILIA
ARCHIVE
BWS / BOOSTER (pièces)
DAELIM
DAX - CITY- SKYTEAM
DERBI
DIRT BIKE
HONDA
HONDA - 125 FORZA
HYOSUNG
JET SKI (Pièces)
KARTING (Pièces)
KAWASAKI
KSR / GENERIC / CPI
KEEWAY
KTM / HUSQVARNA
KYMCO
MASH
ORCAL
PIECES POCKET BIKE
PEUGEOT
PEUGEOT LUDIX
PIAGGIO
RIEJU
SUZUKI
TGB
YAMAHA
DIRT BIKE / YCF
PIECES D'OCCASIONS
Pages
Qui sommes-nous ?
Modes de livraison
Moyens de paiement
Actualités
Tél : 02 38 67 02 33
Tél : 06 10 75 69 07
jrcmotos@gmail.com