JRC Motos - Pièces Détachées et accessoires, Moto, 50cc, Scooter & quad- Paiement 3x/4x Sécurisé

Compteur ADLY 50 RS Liquide

(Code: 37200318000)
N° de pièce :
176,76 EUR
EN RUPTURE
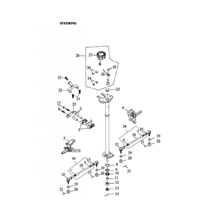
Compteur ADLY 50 RS Liquide

-N°1 Joint torique
-N°13 Ecrou
-N° 15 Rotule de direction intérieur  (Pour ADLY 50RS/500S/S II/320U/300S II)
-N° 16 Rotule de direction extérieur  (Pour ADLY 50RS/500S/S II/320U/300S II)
-N° 26 Kit compteur

-N°28 Capteur de compteur
-N°34 Biellette
-N°35 Colonne de direction 

d'autres pièces sur commande - Livraison 4 à 6 jours