JRC Motos - Pièces Détachées et accessoires, Moto, 50cc, Scooter & quad- Paiement 3x/4x Sécurisé

Carter gauche 125 BESBI NEW MODEL

(Code: DA3061016)
N° pièce :
9,78 EUR
Disponible sous 4 jours
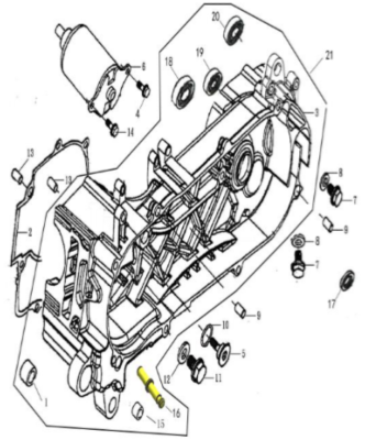
Carter gauche 125 BESBI NEW MODEL
- N°1 : SILENT BLOC Ф10XФ28X22X20
- N°2 : JOINT DE CARTER
- N°3 : CARTER GAUCHE
- N°4 : BOULON M6X22
- N°5 : BOULONS DE PLAQUE DE TENDEUR M6X22
- N°6 : DEMARREUR
- N°7 : BOULON M8X12
- N°8 : RONDELLE 8X16X1
- N°9 : PION DE CENTRAGE 10X14
- N°10 : JOINT TORIQUE 15,5X1,5
- N°11 : BOULON M12X15
- N°12 : RONDELLE 12mm
- N°13 : PION DE CENTRAGE 8X14
- N°14 : BOULON M6X16
- N°15 : PION DE CENTRAGE Ф16XФ20X25
- N°16 : AXE PRINCIPAL DE RESSORT DE SUPPORT Ф8X48
- N°17 : JOINT TC 20X32X6
- N°18 : ROULEMENT TM6204
- N°19 : ROULEMENT 6301
- N°20 : ROULEMENT 6203
- N°21 : ENSEMBLE DE CARTER GAUCHE