JRC Motos - Pièces Détachées et accessoires, Moto, 50cc, Scooter & quad- Paiement 3x/4x Sécurisé

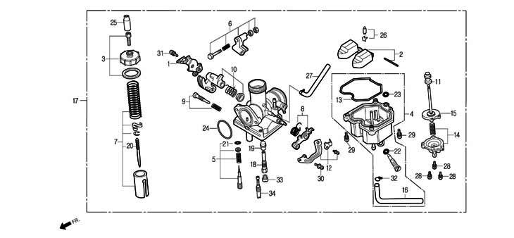
Carburateur DAELIM ROADWIN

(Code: 16015-BA7-91001)
N° de pièce :
Carburateur DAELIM ROADWIN
  • Carburateur DAELIM ROADWIN
  • Carburateur DAELIM ROADWIN

-N°4 Cuve de carbu + joints et vis

-N°5 Vis de richesse 19€

-N°7 Boiseau + ressort + aiguille
-N°8 + 30 Biellette de starter et vis (s3892-05012-10)
-N°13 Joint de cuve

-N°13-1 kit joints N°13+N°22+ N°23 +N°25

-N°17 Carburateur complet

-N°26 Pointeau de carburateur

-N°33 Gicleur principal

-N°34 Gicleur

d'autres pièces sur demande